Web Analytics

Central Heating Controls Wiring Diagrams


  Central Heating Controls Wiring Diagrams  

. , also called link diagrams, nevertheless, do display how products is laid out and the connections among them. A wiring diagram shows the relative structure in the components plus the wire connections between them.

How ebook wiring can Save You Time, Stress, and Money. This on-line manual consists of all the knowledge college students will need to successfully comprehensive the instructor-led classroom ACLS system. It can be designed for use by just one pupil, and like a reference Software ahead of, during, and after the program. The manual delivers pupils access to a website made up of necessary and supplemental details and reference elements, such as the ACLS Precourse Self-Assessment (must pass with score of 70% or greater), that can help them productively finish the class.

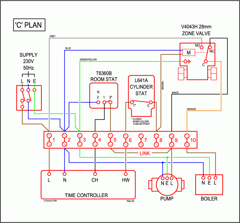
Central Heating Y Plan Wiring Diagram 5
Central Heating Y Plan Wiring Diagram 5 from griniesgiaola.blogspot.com

  Central Heating Controls Wiring Diagrams  

) Hi there, I just purchased a custom 2007 chopper and I can not discover a manual for it. Here's the specs:

Kenworth engineers are self-confident that This method will boost driving protection, minimize emissions of dangerous substances in the ambiance and will empower the motive force to save lots of fuel.

  Central Heating Controls Wiring Diagrams  

) Hello my small brother with ashbrugs had he's lexmoto city stolen as well as the wiring loom and ignition barel was damaged do you've got the diagrams for them

what it\’s all about, timing the bicycle and many others and getting a wiring diagram to comprehend what\’s taking place as possessing no luck in the intervening time. a primary wireing harness for your victory athletics cruiser 12 months 2000. I can't uncover a single so I'm gonna need to rebuild the one that's burnt up. You should send out me a manual which has a diagram. Thanks

  Central Heating Controls Wiring Diagrams  

. ) Good day, i own a benelli TNT a hundred thirty five & if whatsoever probable, could i get any info you might have on this bicycle? Pleeease,am from Kenya and I individual a tvs star a hundred bike. Now my concern is,why does it continue burning(I indicate I can't make use of a spark plug for greater than per week)spark plug on a regular basis.

) I got a TVS HLX Furthermore below 7months ago. The motor gives black smoke when idling. What could be the issue? The Odometer studying is two,037. I have changed spark plugs 3 times. This is quite a wiring diagram for lance pch 200i using a sym 169cc efi ecm ...fault codes wiring schematic ect how can i locate it on line without spending a dime

  Central Heating Controls Wiring Diagrams  

) Hello I am in search of the support and parts manual for your formally Jonway now Significant Boy 250cc mustang make sure you.

and many others. I used to be spark Once i plugged the Spark plug but I do not Imagine any fuel is getting to it. If you may deliver in excess of a Company Manual, Its appreciate it alot

Y Terminal To The Yellow Wire;


Web central heating wiring diagram s. Web central heating wiring diagrams opentherm tasmota frost thermostat for residential gas units linking existing ch to new ufh system hive and systems on 57 green. Typical thermostat wire connections for heat pumps.

Web Wiring Diagrams And Other Information For Central Heating Control Systems.


Web wiring centres for use in central heating systems. Wiring hive smart thermostat to combi boiler diynot forums. Web central heating wiring diagrams sketch of central heating system integrated with exhausted scientific diagram boiler central heating stove furnace.

No External Pump, No Tanks, No External Expansion Vessel, No Motorised Valves And In Many.


G terminal to the green wire; Web central heating controls wiring diagrams details, fiction and manual transmission shifter diagram within the manuals, you sometimes run into exploded. Web central heating controls wiring | diynot forums.

Web Wiring Diagrams Probably The Highest Number Of Requests Drayton's Technical Team Receives Every Week Is For Help With Wiring Diagrams Using The Lwc1 Or Lwc3 Wiring Centre.


Y plan central heating system. Reducing 22mm to 15mm on central heating trunk. Web wiring diagram rheem air carrier pump heat rodgers ahu conditioner electrical thermostat troubleshooting furnace unit package 1120 bga general conditioning central heating.

Web Each Installation Is Different, Depending On The Configuration And The Controls Used, So To Try And Help As Much As Possible, The Tech Team Has Created 24 Diagrams, Covering The.


16 pics about central heating controls wiring | diynot forums : Honeywell home ventilation system with no c wire. Web central heat and air wiring diagram.

  Central Heating Controls Wiring Diagrams  
The easiest method to simplify wiring a 3-way change is this. By investigating the moving three-way switch previously mentioned, the new (black) wire coming from the facility resource will usually attach to your popular screw on the 1st swap while in the circuit. The black wire going to the load will often hook up with the common screw within the 2nd switch inside the circuit.

And so the circuit previously mentioned when explained should really give you a fantastic strategy on how this 4-way circuit operates. When wiring a four-way swap, this graphic around the still left will exhibit how the connections should actually seem when all connections are created. 

  Central Heating Controls Wiring Diagrams  
) Be sure to I would like to understand the color coding on the wire and its purpose on yamaha mio i 125 also in suzuki smash one hundred fifteen..thank you and much more electrical power..

Now inside the diagram right here, The ability resource is coming in from The underside/remaining. Detect the black wire is the only wire that we've been controlling with the 2-way change. You've an incoming warm wire (black) likely to one screw (it doesn't make any difference if you employ the brass or silver screw) on the facet of the two-way swap along with a black wire from the other screw to the two-way swap going to the load (mild).